.jpg)
.jpg)
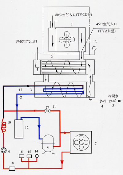
風冷型工作原理
讓壓縮空氣強制通過冷凍機降溫,使空氣中水蒸汽凝結成液態水夾帶塵、油排出機外,獲得純凈壓縮空氣。
冷凍機中的制冷劑用扇冷卻。
(1)空氣前置冷卻器(TYCD型)
(2)預冷器
(3)蒸發器
(4)手閥
(5)自動排水器
(6)壓縮機
(7)冷凝器
(8)過濾品
(9)視鏡(15 m3以上)
(10)毛細管
(11)熱氣旁路閥(10 m3以上)
(12)汽化器
(13)進氣壓力表
(14)冷媒高壓表
(15)壓力開關
(16)高壓跳脫開關(10 m3以上)
(17)冷媒低壓表(6m3以上)

性能特點
節約能源,運行可靠
無需水源,對用水緊缺地區尤為適合
元器件少,故障率低
動態監控,運轉穩定
控制電路有常規強電控制與單片微機
控制(10 m3以上)兩種供選擇
更多詳情更多型號系列請聯系我們。。。







